• ● Proteção e seletividade
  • ● Arc Flash (energia incidente)
  • ● Diagnóstico de Qualidade de Energia
  • ● Aterramento para Subestações
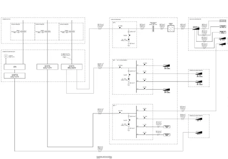
  • ● Projetos elétricos comerciais e industriais
  • ✔ Análise de curto-circuito
  • ✔ Coordenação de disjuntores, relés e fusíveis
  • ✔ Conformidade com IEC 60909, IEC 60255, PRODIST, NR-10
  • ✔ Aplicável a baixa e média tensão
  • ✔ Cálculo da energia incidente
  • ✔ Classificação das zonas de risco
  • ✔ Definição correta de EPI
  • ✔ Rotulagem técnica dos painéis
  • ✔ Normas IEEE 1584, NFPA 70E e NR-10
  • ✔ Malha de aterramento de subestação
  • ✔ Cálculo de tensões de passo e toque
  • ✔ Interligação de estruturas, equipamentos e neutros
  • ✔ Atendimento às normas ABNT NBR 14039, IEEE 80 e IEC aplicáveis
  • 🎥 Vídeos técnicos
  • 🎥 Conteúdo educacional
  • 🎥 Aplicação prática das normas

Fale conosco!